Product Description
7055 – fits 6010 profile handrail
7255 – fits 6210 profile handrail
7655 – fits 6610 profile handrail
7755 – fits 6710 profile handrail
7855 – fits 6800 profile handrail
StairSupplies guarantees the tolerance on our fittings to match our handrail within 1/32″ (will be within 1/32″, once centered on the handrail). Please be aware that the part numbers on our handrail & fittings are industry standard numbers, but the actual profiles can vary from one supplier to another. For example, we do not guarantee that our 6010 profile will match 6010 profile you purchased elsewhere. Let us know if you have additional questions about this policy.






Product Q&A
You must be logged in to post a comment.
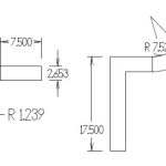
Does this come with both the upper and lower up easing as shown on photo?
Hi Chris,
Yes, it comes with the upper easing already attached, and the lower easing comes loose.